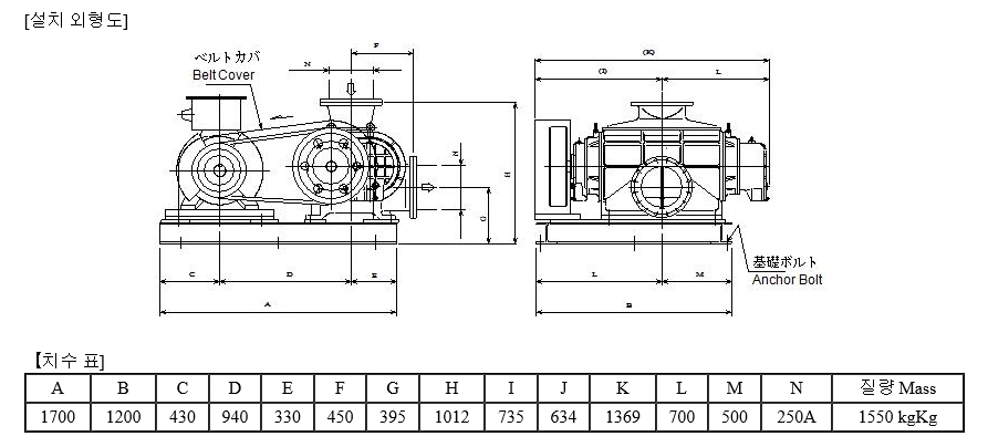
ITO ROTARY BLOWER 압송 도금 표준형 > IRS-250AM
페이지 정보

본문


첨부파일
-
05-04-4.pdf (171.9K)
8회 다운로드 | DATE : 2022-08-25 09:07:54
- 이전글압송 도금 표준형 > IRS-200CM 22.08.25
- 다음글압송 도금 표준형 > IRS-300CM 22.08.25

